详细介绍
产品特点 2、密封副材料选用不锈钢和丁腈耐油橡胶配对,使用寿命长。 3、橡胶密封圈即可位于阀体上,也可以位于蝶板上,可适用不同特点的介质,供用户选择。 4、蝶板采用框架结构,强度高,过流面积大,流阻小。 5、整体烤漆、能有效地防止锈蚀且只要更换密封阀座密封材料,就可使用于不同介质。 6、本阀具有双向密封功能,安装时不受介质流向的控制,也不受空间位置的影响,可在任何方向安装。 7、本阀结构独特,操作灵活,省力,方便。 主要结束参数
主要零部件材料
执行标准
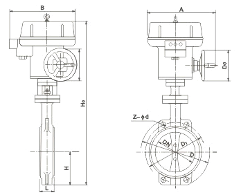
WBEX(D972X)-6/10/16电动对夹式软密封蝶阀主要外形连接尺寸 单位:mm
产品尺寸
| |||||||||||||||||||||||||||||||||||||||||||||||||||||||||||||||||||||||||||||||||||||||||||||||||||||||||||||||||||||||||||||||||||||||||||||||||||||||||||||||||||||||||||||||||||||||||||||||||||||||||||||||||||||||||||||||||||||||||||
温馨提示:“D972X电动对夹式软密封蝶阀”所有文字、数据、图片均只适用于参考。
如需与实物相吻合的性能参数、结构尺寸参数等详情请来电来函索取。
电话:021-68103333 传真:021-51686322
如需与实物相吻合的性能参数、结构尺寸参数等详情请来电来函索取。
电话:021-68103333 传真:021-51686322

软密封蝶阀视频介绍





扫一扫关注我们